Deze pagina is bedoeld om vast te leggen hoe mijn brouwinstallatie opgebouwd gaat worden.
Sinds 17-05-2007 is er veel gebeurd, maar niet op brouwgebied.
Nu weer actief, maar dan met lambiek brouwen (en geuze steken).
Het wordt een Herms (Heat Exchanged Recirculating Mash System) waarbij de controle o.a. via een 1-Wire netwerk plaats vindt.
Waarom 1-Wire? De componenten van 1-Wire worden veelvuldig gebruikt in weerstations, er is dus al veel bekend over temperatuur meten e.d. Ook zijn er van Dallas veel componenten met een redelijke prijs en vooral ook simpel te gebruiken en uitbreidbaar.
Voor de sturing wordt gebruikt gemaakt van een Arduino systeem (ChipKit Max32) met een nog te maken brew-shield.
Naar begin van de pagina
1. Highlights |
|
a. Sturing |
- ChipKit Max32
- aangepaste hard- en software
De sturing maakt gebruik van een microprocessorsysteem. Hiertoe wordt gebruik gemaakt van een Arduino controller met BrewShield.
Specificaties:
- USB-poort
- usb-poort t.b.v. testen, flashen etc.)
- serial poort(en)
- de serial port wordt gebruikt voor de display connectie
- de 1-Wire connectie
De 1-Wire connectie gaat uit van de seriële poort.
Via een dubbel uitgevoerde 3.3 volt rs232-converter (MAX3232) en een Dallas serial to 1-Wire device (DS2480) wordt de aansluiting gerealiseerd.
- Software
- Webserver
- 1-Wire drivers
temperatuur sensors
- Display drivers
relay-drivers tbv pompsturing
relay-drivers tbv verwarminig
....
- ...
Dit is in essentie (bijna) allemaal al eens gedaan v.w.b. de hardware en software modificaties (zie menu, Router gerelateerd)
en bovendien ook niet erg tijd kritisch. De rest is ook te testen met een "normale" PC met een standaard 1-Wire Host Adapter (DS9490R voor USB, DS9097U voor serieel).
Terug naar de inhoudsopgave
|
|
b. 1-Wire Microlan
|
De 1-Wire Microlan wordt (via een of meerdere hubs (DS2409)) voorzien van:
Specificaties:
sensors
de luchtdruk (DS2406, INTERSEMA MS5534A pressure sensing IC)
de luchtvochtigheid (DS2438, HIH 3610-A sensor from HONEYWELL)
de omgevingstemperatuur (DS18S20)
de temperatuur op diverse plekken in de installatie (DS18S20)
de stand van een (handmatige) kraan (DS2401, DS2505, reedrelays)
het niveau in een ketel/leiding(DS2401, DS2505?)
de tijd, Real-Time Clock (DS2417)
switches (DS2405, DS2408)
aansturen verwarmingselementen
aansturen pomp(en)
aansturen magneetkranen
een indicatie voor handbediening via LED's (gewenste stand kraan)
een zoemer om aandacht te vragen voor een handmatige actie
een textdisplay om gewenste (handmatige) actie, huidige status en tijd weer te geven (DS2408, DS2890, DS2505)
Ook kan hiermee aangegeven worden wat de volgende handmatige actie wordt, en wanneer.
een (simpel) toetsenbord om handmatige acties te bevestigen (b.v. jodium test OK) (DS2408, DS2890, DS2505)
tags voor identificatie, etc. (DS2401)
Hierdoor kan een bijsturing van de gemeten waarde aan de gewenste waarde gerealiseerd worden (verwarmen, rust, etc.)
of een volgende state in het proces geactiveerd worden (volgens brouwschema).
Terug naar de inhoudsopgave
|
|
c. Software
|
De volgende software componenten zijn voorzien:
- drivers voor 1-wire op server
- interfaces op client
Specificaties:
Server
De Arduino controller wordt voorzien van:
- driver(s) voor de 1-Wire devices
- een (web)interface.
Client
- (web)interface voor configuratie devices via een aparte PC (configuratie)
- (web)interface voor instellen van het gewenste proces (brouwschema --> procesdefinitie)
- (web)interface voor het volgen en bijsturen van het resultaat (procescontrol)
Terug naar de inhoudsopgave
|
|
f. Schroten
|
Het schroten blijft (voorlopig) een handmatig proces. In een latere fase wellicht motoraandrijving en klepsturing (automatisch storten). Nodig:
Specificaties:
- motor 230 volt voor molen via DS2405 met solid state relay, zekering
- motor? voor klep via DS2405 met solid state relay, zekering
Terug naar de inhoudsopgave
|
|
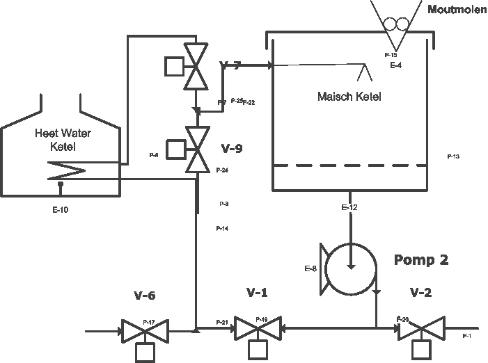
g. Heet water
|
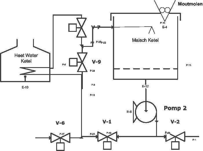
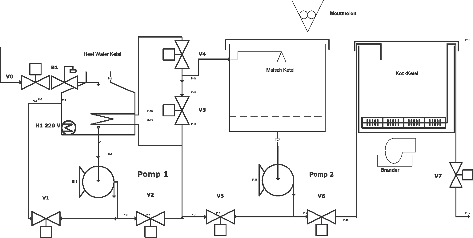
De heet water ketel wordt elektrisch verwarmd.
Specificaties:
- temperatuursensor(s) (DS18S20)
- verwarmingelement 230 volt via DS2405 met solid state relay, zekering
- pomp 230 volt via DS2405 met solid state relay, zekering
- kranen (toevoer koud water (V0), circulatie (V1) en naar volgende fase (V2 => ketel 2, maischen))
- max. vulstand (overloop beveiliging = vlotterkraan B1)
- niveau indicator ketel. Standen:
- maischwaterniveau (t.b.v. maischen)
- spoelwaterniveau (t.b.v. spoelen)
- water boven verwarmingselement (bescherming element en pomp)
Er worden dus drie standen gemeten.
Het verschil tussen peil3 - peil1 is de waterhoeveelheid voor het maischen.
Het verschil tussen peil3 - peil2 is de waterhoeveelheid voor het spoelen.
De warmtewisselaar in de warmwaterketel (voor verwarmen van de maischketel) moet dus ook onder peil 3 blijven
indien hij altijd moet kunnen werken.
Aan de andere kant moet de hoeveelheid water onder peil 3 wel mee verwarmd worden en moet dus weer zo klein mogelijk blijven.
.bmp)
Terug naar de inhoudsopgave
|
|
h. Maischen
|
De maisch ketel zelf wordt niet verwarmd (is wel geisoleerd). De wort wordt via de warmtewisselaar in de heet waterketel gevoerd en daardoor verwarmd.
Specificaties:
- temperatuursensor(s) (DS18S20)
- pomp 230 volt via DS2405 met solid state relay, zekering
- vier kranen (toevoer warm water (V3), circulatie (V4, V5), naar volgende fase (V6) (ketel 3, koken)
- niveau indicator ketel. Standen:
- geen water (bescherming pomp)
- start maischen stand

Terug naar de inhoudsopgave
|
|
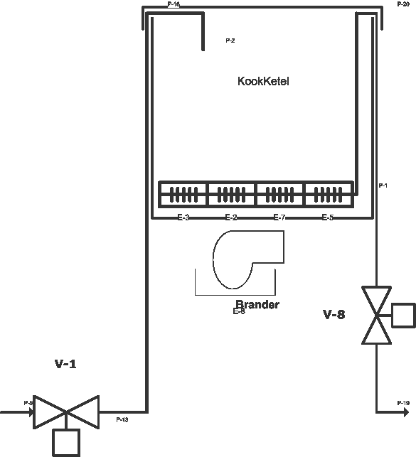
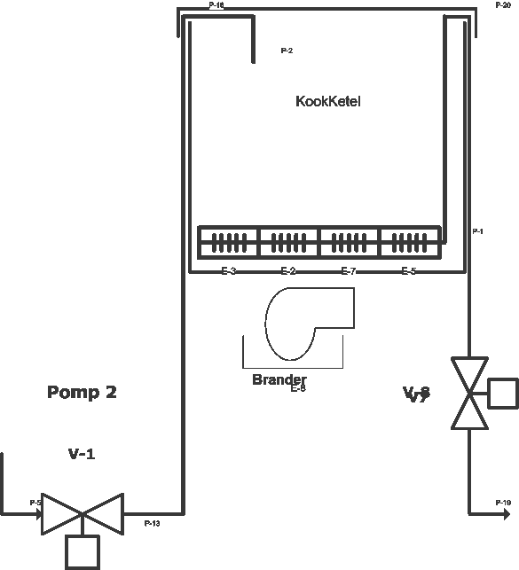
i. Koken
|
De kookketel wordt op gas verwarmd. Is een normale RVS ketel. Wordt gevuld via uitstroompijp en geleegd via hevelfilter. (Voorlopig) dus geen verandering t.t.v. huidige installatie.
Specificaties:
- uitstroompijp
- hevelfilter met een kraan (V7 => gistemmer, evt. via koeler)

Terug naar de inhoudsopgave
|
|
j. Koelen
|
Koelen wordt nog niet meegenomen. (Voorlopig) dus geen verandering t.o.v. huidige installatie.
Specificaties:
Terug naar de inhoudsopgave
|
|
k. Lageren
|
Lageren wordt nog niet meegenomen. (Voorlopig) dus geen verandering t.o.v. huidige installatie.
Specificaties:
Terug naar de inhoudsopgave
|
Disclaimer |
Ondanks dat deze homepage met veel zorg is gemaakt, kan het voorkomen dat er fouten in staan. Voor eventuele consequenties voortvloeiend uit deze fouten kan ik niet ter verantwoording worden geroepen. Voor de informatie op websites van derden waarheen deze pagina verwijst, geldt dat ik niet aansprakelijk ben voor de inhoud, noch voor schade voortvloeiend uit het gebruik daarvan.
Terug naar de inhoudsopgave
|
®Trademarks |
TINI, 1-Wire, Microlan, TINI, and iButton are registered trademarks of Dallas Semiconductor.
Sun, Java, Java Card, Jini, JavaOne, and iPlanet are trademarks or registered trademarks of Sun Microsystems, Inc.
Windows and Microsoft are trademarks or registered trademarks of Microsoft, Inc.
MicroMaat, BrassBandits and BBTC are trademarks or registered trademarks of Co de Waal, MicroMaat.
All other brand names and product names are trademarks or registered trademarks of their respective holders.
|
|